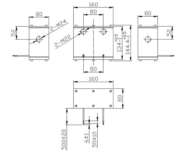
型號:SDL-CF16080A-24S05
產品使用對象:醫療設備
產品執行功能:空氣控制閥
呼吸機空氣控制電磁閥參數
| 公稱壓力: | 公稱流量: | ||
| 工作電壓: | DC24V | ||
| 工作電流: | 4.8A | ||
| 進液口: | 回液口: | ||
| 介質: | |||
| 最大流量: | |||
呼吸機空氣控制電磁閥產品詳情
呼吸機空氣控制電磁閥
型號:SDL-CF16080A-24S05
參數
行程:4MM
電壓:DC24V
電流:4.8A
通電率:20%
壽命:20萬次
單次通電時間:40MS
使用率:86400次/24H
反應速度:8次/秒
產品使用行業:醫療設備
產品執行功能:空氣控制閥
拓展適用行業:美容智能化設備
產品特點:進氣、出氣雙控制,流量精準,40毫秒反應時間。




廣州思德隆電子有限公司(http://m.solvectr.com)創立于2005年,是一家專業生產研發電磁鐵定制加工,電磁閥定制,電磁線圈,小型電磁鐵等各類電磁產品,擁有豐富行業經驗的廣州電磁閥廠家、電磁線圈廠家。品種多樣,規格齊全,產品從零部件到成品組裝均有自己的加工設備以及產生線,擁有高精密度檢測儀器和自主研發的老化設備,已通過(ISO9001認證)專業制造二位三通電磁閥/水用電磁閥從產品設計到樣品以及量產,均有量化高效的工藝流程及老化實驗檢測,保證了產品的質量與訂單的按時交貨。
http://m.solvectr.com/coinfo-34.html
http://m.solvectr.com/coinfo-35.html
http://m.solvectr.com/coinfo-36.html
http://m.solvectr.com/vainfo-19.html
關鍵詞:空氣控制閥,呼吸機電磁閥
| 上一篇:沒有信息了 |
| 下一篇:沒有信息了 |



